Компания «Микран» расширяет линейку делителей мощности собственного производства новыми устройствами ДМ2А-67 и ДМС2А-67. Их основной функцией является симметричное разделение электромагнитных сигналов с частотами от 0 до 67 ГГц и мощностью не более 1 Вт. Устройства широко используются в качестве элемента СВЧ/КВЧ измерительных схем, либо в качестве самостоятельных функциональных блоков различного радиотехнического оборудования. Конструкция разработанных делителей обеспечивает совокупность превосходных электрических и механических качеств — высокую стабильность параметров, малые отражения и амплитудный (фазовый) дисбаланс, устойчивость к внешним воздействиям даже после большого количества циклов соединений-разъединений в диапазоне рабочих температур от −60 до +110 ◦С.
С остальными устройствами линейки Вы можете ознакомиться https://www.micran.ru/productions/IIS/accessory/divider/divider/

Характеристики делителей ДМ2А-67-15Р
| Соединитель | тип 1,85 мм (розетка) |
| Диапазон рабочих частот, ГГц | 0…67 |
| КСВН портов, не более | 1,2 (0…20) |
| 1,4 (20…67) | |
| КП между портами, дБ, не менее | −6,8 (0…20) |
| −7,5 (20…67) | |
| Модуль разности амплитуд КП между портами, дБ, не более | 0,2 (0…20) |
| 1 (20…67) | |
| Модуль разности фаз КП между портами, град, не более | 3 (0…20) |
| 5 (20…67) | |
| Рисунки | 1а, 2 и 4 |
| Соединитель | тип 1,85 мм (розетка) |
| Диапазон рабочих частот, ГГц | 0…67 |
| КСВН входного порта, не более | 1,2 (0…20) |
| 1,4 (20…67) | |
| КСВН выходных портов, не более | 1,8 |
| КП входной-выходной порты, дБ, не менее | −6,8 (0…20) |
| −7,5 (20…67) | |
| КП выходной-выходной порты (развязка), дБ | −12+2−3 |
| Модуль разности амплитуд КП между входным и выходными портами, дБ, не более | 0,2 (0…20) |
| 0,8 (20…67) | |
| Модуль разности фаз КП между входным и выходными портами, град, не более | 3 (0…20) |
| 5 (20…67) | |
| Рисунки | 1б, 3 и 4 |
Рис. 1.
Рис. 2. Частотные зависимости S-параметров ДМ2А-67-15Р
Рис. 3. Частотные зависимости S-параметров ДМС2-67-15Р

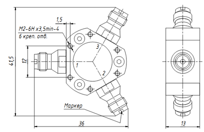
Рис. 4.
Элемент не найден